| Autore |
Messaggio |
melGio nuovo utente

Iscritto: 13 Giu 2007 Messaggi: 49 Località: Gagliano del Capo, Lecce
|
Inviato: Gio 14 Giu, 2007 6:08 pm Oggetto: Nanometric puzzle |
|
|
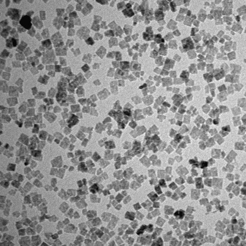
Ciao a tutti, mi presento. Sono Gio e di fotografia non ne capisco un tubo... perciò vi mostro cosa si può fotografare con un TEM: pensate, uno di quei cubetti a confronto con un granellino di sabbia è come una goccia d'acqua in una piscina.
Massacratemi pure.... la mia ignoranza in quanto a tecnica fotografica è grande quanto quel granellino di sabbia rispetto ad una dei "miei cubetti". Spero almeno che il soggetto sia affascinante. |
|
Vai ad inizio pagina Vai a fine pagina |
|
 |
TestaPazza utente attivo

Iscritto: 07 Ott 2006 Messaggi: 11514 Località: Nicolosi (CT)
|
|
Vai ad inizio pagina Vai a fine pagina |
|
 |
ZioMauri29 utente attivo

Iscritto: 06 Dic 2005 Messaggi: 22539 Località: Novara - Milano
|
Inviato: Gio 14 Giu, 2007 7:01 pm Oggetto: |
|
|
Ciao Gio..
ma per TEM dunque intendi un Microscopio Elettronico a Trasmissione...
come questo?
A me è sempre piaciuto l'infinitamente piccolo della materia..
e se ogni ''uno di quei cubetti a confronto con un granellino di sabbia è come una goccia d'acqua in una piscina''.. beh, allora non oso dubitare delle reali dimensioni..
Ma di cosa si tratta, nello specifico?
Per me, comunque, è un buon biglietto da visita..
Potresti farci vedere foto che difficilmente ad occhi nudo potremmo ammirare...!
 _________________ [size=10]Maurizio - Sono Qui Per Imparare.. |
|
Vai ad inizio pagina Vai a fine pagina |
|
 |
Schicchi utente attivo

Iscritto: 12 Set 2006 Messaggi: 4272 Località: Mi manca Roma... azz
|
Inviato: Gio 14 Giu, 2007 7:12 pm Oggetto: |
|
|
interessante...
alfredo _________________ "Non basta guardare, occorre guardare con occhi che vogliono vedere, che credono in quello che vedono."
Io sono la speranza dei miei figli... Nel mio sonno ho dimenticato i loro pianti. (Anonimo, Consonno)
Sito Ufficiale: Indipendentemente.org - Galleria non ufficiale: "QUI" - Last Reportage: "QUI" |
|
Vai ad inizio pagina Vai a fine pagina |
|
 |
TestaPazza utente attivo

Iscritto: 07 Ott 2006 Messaggi: 11514 Località: Nicolosi (CT)
|
|
Vai ad inizio pagina Vai a fine pagina |
|
 |
cotrino utente
Iscritto: 10 Gen 2007 Messaggi: 128 Località: Bologna
|
Inviato: Gio 14 Giu, 2007 10:24 pm Oggetto: |
|
|
...boh!
Forse un composito in matrice metallica o una superlega base titanio o cromo
ma non mi tornano un pò di cose e senza una tacca per capire a che unità di misura ci si stà riferendo nn sò proprio.
Dai, dicci cos'è! _________________ Beh!..Io ci provo! |
|
Vai ad inizio pagina Vai a fine pagina |
|
 |
melGio nuovo utente

Iscritto: 13 Giu 2007 Messaggi: 49 Località: Gagliano del Capo, Lecce
|
Inviato: Ven 15 Giu, 2007 9:29 am Oggetto: |
|
|
Ciao ragazzi, sono contenta che "i miei cubettti" (io li chiamo affettuosamente così) abbiano ispirato la vostra curiosità scientifica. Comunque bravi ; bravo zioMauri che si è informato su cosa fosse un TEM: è un microscopio a trasmissione elettronica, molto più potente dei microscopi ottici tradizionali. Quello che ho usato io, pensate, è anche a bassa risoluzione. Le dimensioni dei miei cubetti sono circa 15-20 nm di lato. Bravo anche cotrino che ha cercato di indovinare di cosa fossero fatti: è ossido di titanio nanocristallino (una struttura estremamente ordinata). Spero di aver fugato alcuni dei vostri dubbi. Grazie a tutti per essere intervenuti.
Alla prossima. |
|
Vai ad inizio pagina Vai a fine pagina |
|
 |
dino1 utente attivo

Iscritto: 13 Mar 2007 Messaggi: 2794 Località: Salorno (bz)
|
Inviato: Gio 21 Giu, 2007 11:00 pm Oggetto: |
|
|
ma noooooo!!!! quando l'avevo vista l'altra volta non avevo tempo di leggere i commenti mi sembrava una piastrella di graniglia e l'ò saltata
ma la curiosità non è solo donna e allora ci torno su per vedere la banalità della piastrella e mi ritrovo non una foto ma la macroscopio
e poi vai a fidarti di quello che pensi di vedere
viste le gigantesche dimensioni  |
|
Vai ad inizio pagina Vai a fine pagina |
|
 |
melGio nuovo utente

Iscritto: 13 Giu 2007 Messaggi: 49 Località: Gagliano del Capo, Lecce
|
Inviato: Ven 22 Giu, 2007 2:58 pm Oggetto: |
|
|
| dino1 ha scritto: | ma noooooo!!!! quando l'avevo vista l'altra volta non avevo tempo di leggere i commenti mi sembrava una piastrella di graniglia e l'ò saltata
ma la curiosità non è solo donna e allora ci torno su per vedere la banalità della piastrella e mi ritrovo non una foto ma la macroscopio
e poi vai a fidarti di quello che pensi di vedere
viste le gigantesche dimensioni  |
non potevo comiciare con qualcosa di banale!!!!! |
|
Vai ad inizio pagina Vai a fine pagina |
|
 |
|