| Mostra argomento precedente :: Mostra argomento successivo |
| Autore |
Messaggio |
paolosaccheri nuovo utente
Iscritto: 08 Ago 2009 Messaggi: 6
|
Inviato: Mar 26 Mar, 2013 7:36 pm Oggetto: Piastra rientrante a tazza per Durst... ma quale? |
|
|
ciao
spero mi possiate aiutare ad identificare la piastra rientrante a tazza che mi hanno regalato e che di sicuro era usata con un vecchio Durst.
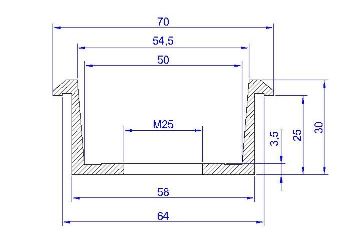
Allego delle immagini e uno schizzo con le misure, se ne avete una identica o conoscete cosa è esattamente mi fate un vero piacere se mi rispondete.
E' per obiettivi con passo M25 (e forse è stata prodotta da una casa concorrente OEM perché non ha scritte Durst)... ma non so altro, e siccome ogni ingranditore aveva il suo attacco speciale per queste piastre sono quasi certo che questa era per un ingranditore specifico (o famiglia)...
Lascio a voi l'ardua soluzione
Grazie mille!
Paolo
| Descrizione: |
|
| Dimensione: |
37.51 KB |
| Visualizzato: |
File visto o scaricato 2436 volta(e) |

|
| Descrizione: |
|
| Dimensione: |
59.66 KB |
| Visualizzato: |
File visto o scaricato 2436 volta(e) |

|
| Descrizione: |
|
| Dimensione: |
31.42 KB |
| Visualizzato: |
File visto o scaricato 2436 volta(e) |

|
|
|
Vai ad inizio pagina Vai a fine pagina |
|
 |
biancpier utente attivo
Iscritto: 30 Dic 2007 Messaggi: 582 Località: Provincia Alessandria
|
Inviato: Mar 26 Mar, 2013 9:51 pm Oggetto: |
|
|
Salve, molto probabilmente è per il 609 e simili che non hanno il sofietto.
Per l' uso monta di solito il 70 mm o al massimo l'80 mm
Quello per il 50 è un po ' più lungo (alto).
Venivano fatti per i due diametri degli obiettivi il 39 e il 25 mm passo 1 mm
biancpier
|
|
Vai ad inizio pagina Vai a fine pagina |
|
 |
Tomash utente attivo

Iscritto: 21 Giu 2005 Messaggi: 11774 Località: Bologna
|
Inviato: Sab 30 Mar, 2013 7:59 am Oggetto: |
|
|
| Sì sì, è quella per il Durst 609 e data la profondità direi che è per il 75/80mm, quella del 50mm era talmente profonda che occorreva un accessorio per manovrare il diaframma, quella per il 105mm è piatta.
|
|
Vai ad inizio pagina Vai a fine pagina |
|
 |
paolosaccheri nuovo utente
Iscritto: 08 Ago 2009 Messaggi: 6
|
Inviato: Sab 30 Mar, 2013 12:08 pm Oggetto: |
|
|
Biancpier, Tomash
grazie per le risposte
ho avuto una informazione circa il Durst M600 e la piastra Sixtif che aveva diametro esterno di 70mm ed era usata con lenti più corte di 50mm
I successivi Durst 6xx (601, 605) e 8xx avevano la piastra di 78 mm (Setopla)
Avetela possibilità di fare questa verifica dimensionale e chiarirmi le idee maggiormente? Il mio pezzo può essere montato sia su M600 che su 609 che hanno tutti e due attacco da 70mm? Quali ingranditori hanno attacco da 70mm?
|
|
Vai ad inizio pagina Vai a fine pagina |
|
 |
|